SHT 11 merupakan suatu sensor keluarga Sensirion yang digunakan untuk melakukan pengukuran kelembapan dan suhu. Sensor kelembaban digital dan suhu SHT11 adalah seri sensor versi serba “reflow” yang menggabungkan akurasi yang baik dengan harga yang kompetitif. Sensor kelembaban kapasitif tersedia sampai dengan volume yang tinggi dan sebagai setiap jenis sensor lainnya dari keluarga SHTxx, sensor ini sepenuhnya dikalibrasi dan menyediakan output digital.
Fitur
– Output digital dan telah terkalibrasi.
– Antarmuka : 2-wire serial (bukan I2C).
– Supply : 2,4 – 5,5 VDC.
– Sensor kelembaban : range = 0-100 %RH, resolusi = 0,03 %RH, akurasi = +/-3,5 %RH.
– Sensor suhu : range = -40 to +123,8 C, resolusi = 0,01 C, akurasi = +/-0,5 C @25C.
Performa Sensor
![]() |
| Batas Maksimum Akurasi Kelembaban dan Suhu Relatif |
![]() |
| Tabel Performa Sensor |
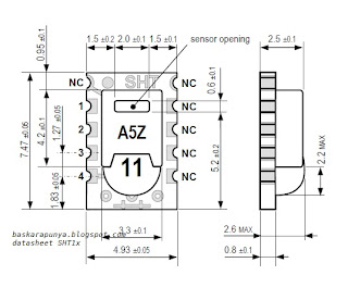
Dimensi
![]() |
| Dimensi Sensor SHT11 |
Kondisi Operasi
Sensor bekerja stabil dalam kisaran normal yang direkomendasikan. Risiko jangka panjang untuk kondisi di luar jangka normal, terutama pada kelembaban> 80% RH, mungkin sementara mengimbangi sinyal RH (+3% RH setelah 60h). Setelah kembali ke kisaran normal dengan sendirinya perlahan-lahan akan kembali menuju keadaan kalibrasi. Prosedur rekondisi untuk mempercepat menghilangkan offset. paparan berkepanjangan dalam kondisi ekstrim dapat mempercepat penuaan/kerusakan.
![]() |
| Kondisi Operasi |
Spesifikasi Antarmuka
![]() |
| Tabel Spesifikasi Antarmuka |
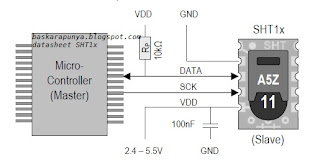
Pin Daya
Tegangan pasokan SHT1x harus berada dalam kisaran 2,4 -5.5V, tegangan suplai yang disarankan adalah 3.3V. Power supply pin Supply Voltage (VDD) dan Ground (GND) harus dipisahkan dengan kapasitor 100 nF. Antarmuka serial SHT1x yang dioptimalkan untuk sensor pembacaan dan konsumsi daya yang efektif. Sensor tidak dapat ditangani oleh protokol I2C, namun, sensor dapat dihubungkan ke bus I2C tanpa gangguan dengan perangkat lain yang terhubung ke bus. Controller harus beralih antara protokol.
![]() |
| Penggunaan Daya Sensor Sht11 |
Kelebihan
-Telah dikalibrasi sepenuhnya
-Keluaran digital
-Rendah konsumsi daya
-Stabilitas jangka panjang yang baik
-Jenis paket SMD – solderable reflow
Download Datasheet SHT1x
Membaca Sensor SHT11 dengan bahasa BASCOM








